싸이트주소  (마이페이지) 

 


























현재위치 : Home

이전 다음

[NO_번호 : 4836] [수정일자 : 2025-09-15]
PTO ON/OFF스위치
모양동일시대부분공용 

판매가

27100원
비회원 : 27100원

견출번호

4340 105-10

부품번호

156167433007

발송처

* 다사농기 28800원 2EA  
* 다사농기 27100원 5EA  

구매하기

EA (현재 5EA 재고 있습니다.)

본상품포함  

 

 

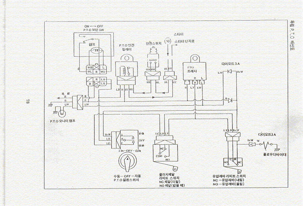
*동양트렉타 피디오가 안돌더라도 스위치 램프가 켜진다면 스위치접점은 고장아닙니다 다른곳을점검하세요

※첨부파일: PTO배선도

전체선택 (재고확인)

전구12V3.4W_T10
체결10기장22

(재고:22)

 

전화번호

궁금한 점을 등록하시면 확인 후 답변드립니다.

 

 


 

 

 


 






























다사농기 | 대표 : 장광주 | 등록번호 : 408-02-72944
주소 : 전라북도 남원시 송동면 노송로 715-48
통신판매신고번호 : 2006-4860000-30-2-00002 호 | 정보관리책임자 : 장광주
고객센터 : 061-363-5677 | 팩스 : 063-636-5295 | 이메일 : kjh12380@empas.com